Speziell für hohe Temperaturen bis zu +200 °C
Edelstahl-Radialventilator C 600HT-1, 1-Phase
zzgl. MwSt. zzgl. Versandkosten
Lieferzeit 10 - 15 Werktage
- Artikel-Nr.: 22982033
- Hersteller-Nr.: C 600HT-1
ADESATOS Shop Vorteile
- Versandkostenfrei*
- 24h Versand*
- Fachberatung vor Ort
*ab 250 EUR Netto Warenwert. Gilt für Lagerartikel
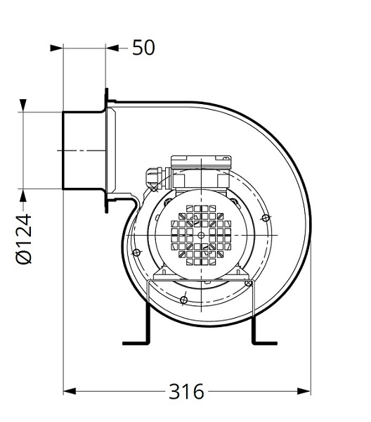
Radialventilator C 600 HT aus Edelstahl für Anlagen, die Temperaturen von bis zu +200 °C standhalten müssen.
FUMEX C 600HT – Ein Hochtemperatur-Radialventilator für Industrie- und Laborumgebungen, zur Innen- und Außenmontage. Der Ventilator ist mit einem Direktantrieb und einer Motortemperaturbarriere ausgestattet. Ventilatorgehäuse und Laufrad aus Edelstahl (DIN EN 1.4301) sind für Betriebstemperaturen bis +200 °C und eine Umgebungstemperatur von max. +40 °C ausgelegt.
Das Laufrad mit vorwärts gekrümmten Schaufeln sorgt für die Absaugung von nicht explosiven Gasen, Rauch und leichteren Partikeln. Das Modell C 600HT ist sowohl in ein- als auch in dreiphasiger Ausführung erhältlich und wurde für den Einsatz zusammen mit dem Fumex-Programm für Absaugarme und Steuerungsautomatik optimiert.
Ausführung (Ansicht Zufuhrseite)
Der Ventilator ist serienmäßig in folgenden Ausführungen erhältlich:
![]() | ![]() | ![]() | ![]() |
| LG 8 | LG 90 Standard | LG 180 | LG 270 |
Leistung (Schallpegel in Klammern)
Ventilator Umgebungsgeräusch - Messung in 1 m Entfernung vom Ventilator dB(A).
Herstellung
Der Ventilator C 600HT wird gemäß den folgenden Normen der Maschinenrichtlinien hergestellt:
- Maschinenrichtlinie 2006/42/EG
- EMV-Richtlinie 2014/30/EU
- EN ISO 12100:2010
- EN 60204-1
Lieferumfang
Der Ventilator wird zur Erleichterung der Installation komplett mit montierter Halterung geliefert.
Sonstiges
Bei laufendem C 600HT darf die zu fördernde Lufttemperatur 200 °C und die Umgebungstemperatur 40 °C nicht übersteigen.
Hinweis
Zu den gezeigten Fumex Radialventilatoren benötigen Sie ggf. noch weiteres Zubehör. Gerne stehen unsere Fachberater unter der kostenfreien Servicenummer 0800 80 75 900, E-Mail oder via Onlinechat für die Klärung Ihrer Fragen bereit und erstellen ein individuelles Angebot.
Abbildung kann kostenpflichtiges Zubehör zeigen. Änderungen vorbehalten.
| Produkttyp : | Radialventilator |
| Bauart : | IP 55 |
| Drehzahl (U/min): | 2800 |
| Material: | Edelstahl |
| Werkstoffe | Ventilatorgehäuse und Laufrad bestehen aus Edelstahl DIN EN 1.4301 |
| Motor | Drei- bzw. einphasiger Asynchronmotor |
| C 600HT-1 | |
| Spannung | einphasig 230 V |
| Nennstrom | 0,95 A |
| Nennleistung | 0,18 kW |
| Drehzahl | 2800 U/Min |
| Schutzart | IP55 |
| Herstellung-Normen | Maschinenrichtlinie 2006/42/EG / EMV-Richtlinie 2014/30/EU / EN ISO 12100:2010 / EN 60204-1 |
| Fördernde Lufttemperatur | bis 200 °C |
| Umgebungstemperatur | bis 40 °C |
| Gewicht | 8,5 kg |



Die Gründerjahre von FUMEX liegen in den 40er Jahren des vergangenen Jahrhunderts. So wurde aus einer kleinen Komponentenproduktion für die Werk- und Fahrzeugindustrie ein weltweit führende Umwelttechnologieunternehmen. Seit Unternehmensgründung werden Fumex-Produkte permanent weiterentwickelt. Sowohl hinsichtlich des Designs als auch der Funktionalität und Benutzerfreundlichkeit. Darüber hinaus entwickeln wir Formgebung und Aussehen, häufig in enger Zusammenarbeit mit Industriedesignern. FUMEX steht für hochwertige Punktabsaugen für die Absaugung von Arbeitsplätzen in Laboren, Schulen, Forschung, Entwicklung, Handwerk und Industrie eingesetzt werden. Das breite Produktportfolio der Quellenabsaugungen deckt nahezu jeden Anwendungsbereich ab: ob die sichere Absaugung von Stäuben oder Dämpfen, die FUMEX Absaugarme in den unterschiedlichen Ausführungen Standard, ESD oder ATEX sind eine sichere Lösung um Mitarbeiten vor gesundheitsschädlichen Emissionen zu schützen.
ADESATOS liefert das komplett FUMEX Produktportfolio in wenigen Tagen zu Ihnen. Gerne beraten wir Sie bei der individuellen Lösung Ihrer Anforderung mit FUMEX Absaugarmen unter 0800 8050900 oder schreiben Sie uns eine Nachricht.



